TA8428K(5,S)

   ( 

東芝

 ) - 製品情報
KEISEI TOP > 取扱メーカー >  製品案内(東芝) > モータドライバ > TA8428K(5,S)

案内バナー お見積りバナー
 
東芝

TA8428K(5,S)イメージ図
イメージ図
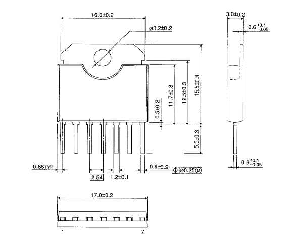
TA8428K(5,S)外形寸法図
外形寸法図

 製品概要
メーカー名 東芝
製品型番 TA8428K(5,S)
カテゴリ1

モータドライバ

カテゴリ2

ブラシ付きモータドライバIC

供給状況 廃止品
パッケージ HSIP7-P-2.54
荷姿 バルク
RoHS RoHS対応

在庫状況
在庫数量:0
※お見積りは商品をカートに入れると発行できます
在庫場所:―
DC:N/A
納期:―

弊社、提携先の在庫が足りない場合は、メーカーや代理店または市場在庫品を調査致します!


 製品詳細
用途
特徴 製品概要:
機能:出力のモードは, 正転/逆転/ストップ/ブレーキの4モード
用途:汎用
種別:ブラシつきモーター用フルブリッジドライバー(H-スイッチ)
駆動モーター数(ブラシ付モーター):1
RoHS Compatible Product(s) (#):適合品あり
特性 絶対最大定格:
項目:記号/値/単位
出力電流:IOUT(ave)/1.5/A
出力電流:IOUT(peak)/3/A
電源電圧:VCC/30/V
出力電圧:VO/30/V

類似型番
※スペックやパッケージ違いなどにご注意ください
  製品型番/メーカー 在庫数 リンク
- 対象製品無し -


STOCK EMS(提携先EMS在庫)
  製品型番/メーカー 在庫数 リンク
- 対象製品無し -
※こちらは敬誠の姉妹サイトになります。
提携EMS会社の在庫で、正規品ではありますが、
環境調査・不良解析等のサポートは行っておりません。
詳しくはSTOCK EMS内のご利用ガイドをご確認ください。



製品 詳細情報ご利用の際のお願い
弊社HPの規格表のデータはメーカー発表の資料に基づいて作成しておりますが、
メーカーでは改良などのために予告なく仕様が変更されることがあります。
またデータ量が多いため一部省略、誤りがある場合がございますのでご了承ください。
ご不明な点などございましたら、問い合わせフォームよりご連絡お願い致します。

実際に製品を購入する前には当該メーカーにお問い合わせの上、必ず仕様をご確認ください。

記載されたデータによって生じた不具合などについては、責任を負いかねますのでご了承ください。